O módulo laser de alta potência de 1653,7 nm utiliza uma construção plana com chip na subportadora. O alto O chip de potência é hermeticamente selado em um pacote borboleta de 14 pinos sem epóxi e sem fluxo e equipado com um termistor, resfriador termoelétrico e diodo de monitor para garantir desempenho de laser de alta qualidade. O diodo laser BTF de 1653 nm e 40 mW para detecção de gás metano é qualificado pela Telcordia GR-468 e está em conformidade com as diretrizes RoHS.
O módulo laser de alta potência de 1653,7 nm utiliza uma construção plana com chip na subportadora. O chip de alta potência é hermeticamente selado em um pacote borboleta de 14 pinos sem epóxi e sem fluxo e equipado com um termistor, resfriador termoelétrico e diodo de monitor para garantir desempenho de laser de alta qualidade. Nossos produtos a laser são qualificados pela Telcordia GR-468 e estão em conformidade com as diretrizes RoHS.
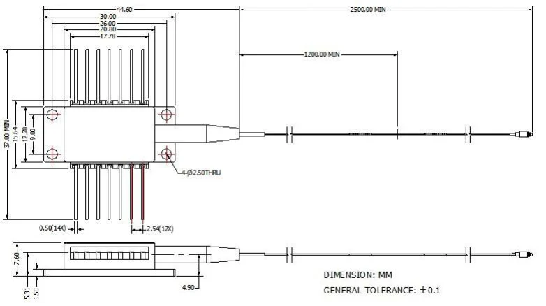
● Pacote borboleta de 14 pinos padrão da indústria;
● TEC integrado e isolador óptico;
● Laser de feedback distribuído (DFB) de poço multiquântico (MQW) de alto desempenho.
● Testes de produção de componentes passivos para detecção de gases;
● Sistema de detecção de fibra gás;
● Fontes de laser.
| Parâmetro | Símbolo | Doença | Min. | Tipo. | Máx. | Unidade |
| Comprimento de onda central | lc | Tl = 15 ~ 35 ℃ qu | 1652.7 | 1653.7 | 1654.7 | nm |
| Potência de saída óptica | Depois | CW | - | 40 | - | mW |
| Corrente limite LD | COM | CW | - | 15 | 40 | mA |
| LD Corrente direta | Se | Pf = Potência Nominal | - | 300 | 400 | mA |
| Isolamento óptico | - | -10 |
30
|
-
|
-
|
dB |
|
| Taxa de supressão de modo lateral | SMSR | CW | 35 | 40 | - | dB |
| Monitore a responsividade | Vacinação | - | - | 1 | 20 | era / mw |
| Monitore a estabilidade da responsividade | - | - | - | - | 20% | - |
| Monitore a corrente escura | Eu ia | DPV=5V | - | - | 50 | n / D |
| Corrente TEC | ITEC | Tcaso =75℃ | - | - | 2 | A |
| Tensão TÉCNICA | VTEC | Tcaso =75℃ | - | - | 3.5 | V |
| Consumo de energia TEC | P | Tstg=25℃ | - | - | 5 | W |
| Resistência do termistor | Rth | Tcaso =75℃ | 9.5 | 10 | 10.5 | Kohm |
| Constante do termistor B | Amo | Tstg=25℃ | - | 3900 | - | K |
| Desvio de comprimento de onda (EOL) | △λ | Testado ao longo de 25 anos de vida | - | - | ±0,1 | nm |
| Aceno. Coeficiente de temperatura | Dl/Dt | Temperatura TEC de 15℃ a 35℃ | - | 0.09 | - | nm/℃ |
| Coeficiente de corrente de comprimento de onda | Dl/DI | - | - | 0.01 | - | NM/pol. |

Todos os produtos foram testados antes do envio;
Todos os produtos têm 1 ano de garantia. (Após o período de garantia de qualidade começou a cobrar a taxa de serviço de manutenção adequada.)
Agradecemos sua preferência e oferecemos uma política de devolução instantânea de 7 dias. (7 dias após o recebimento dos itens);
Se os itens que você compra em nossa loja não forem de qualidade perfeita, ou seja, não funcionam eletronicamente de acordo com as especificações do fabricante, basta devolvê-los para substituição ou reembolso;
Se os itens estiverem com defeito, avise-nos dentro de 3 dias após a entrega;
Todos os itens devem ser devolvidos em suas condições originais para se qualificarem para reembolso ou substituição;
O comprador é responsável por todos os custos de envio incorridos.
P: Qual é a precisão do comprimento de onda?
R: +/-0,5 nm.
P: Você tem outras versões da potência de saída?
R: 10mW, 15mW, 50mW.
Conjunto de laser sintonizável integrado de largura de linha estreita de banda C ITLA
1550nm 40mW 200Khz largura de linha estreita DFB borboleta diodo laser
Diodo laser de largura de linha estreita 1550nm 40mW 600Khz DFB pacote borboleta
diodo laser estreito da borboleta da largura de linha DFB de 1550nm 50mW 100Khz
Diodo laser coaxial de largura de linha estreita de 1550nm 2mW 5mW
1550nm 100mW 100kHz Linheira estreita Diodo a laser DFB BTF com fibra SM/PMCopyright @ 2020 Shenzhen Box Optronics Technology Co., Ltd. - Módulos de fibra óptica da China, fabricantes de lasers acoplados a fibra, fornecedores de componentes a laser Todos os direitos reservados.