Diodo laser acoplado a fibra Fabry Perot FP 850nm
  • Diodo laser acoplado a fibra Fabry Perot FP 850nm Diodo laser acoplado a fibra Fabry Perot FP 850nm
  • Diodo laser acoplado a fibra Fabry Perot FP 850nm Diodo laser acoplado a fibra Fabry Perot FP 850nm
  • Diodo laser acoplado a fibra Fabry Perot FP 850nm Diodo laser acoplado a fibra Fabry Perot FP 850nm
  • Diodo laser acoplado a fibra Fabry Perot FP 850nm Diodo laser acoplado a fibra Fabry Perot FP 850nm
  • Diodo laser acoplado a fibra Fabry Perot FP 850nm Diodo laser acoplado a fibra Fabry Perot FP 850nm

Diodo laser acoplado a fibra Fabry Perot FP 850nm

Diodo laser borboleta de modo multilongitudinal Fabry-Perot (FP) de 850 nm, apresentando um pacote borboleta padrão com controle de temperatura TEC integrado e monitoramento PD, fornecendo saída óptica estável e confiável.

Enviar consulta

Descrição do produto

Diodo laser borboleta de modo multilongitudinal Fabry-Perot (FP) de 850 nm, apresentando um pacote borboleta padrão com controle de temperatura TEC integrado e monitoramento PD, fornecendo saída óptica estável e confiável.


Características

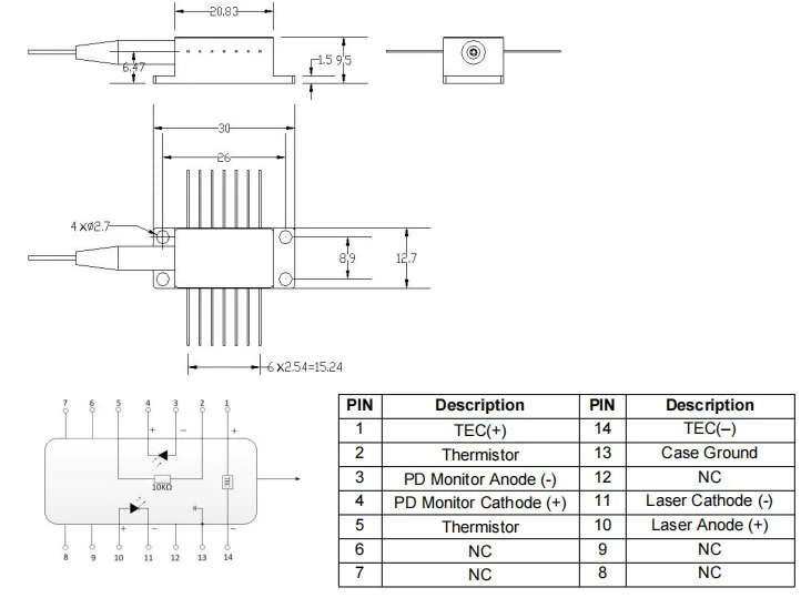
Pacote borboleta de 14 pinos;

Termistor embutido e TEC;

O tipo de fibra pode ser fibra SM630-HP;

Temperatura operacional:-20~+70℃.


Aplicações

Instrumento óptico;

Fonte de laser.


Características eletro-ópticas (T = 25 ℃)

Parâmetro Símbolo Doença Min. Tipo. Máx. Unidade
Comprimento de onda operacional λc CW, 25℃ 840 850 860 nm
Potência de saída óptica PF - 30 - - mW
Corrente limite COM 25℃ - 10 35 mA
Corrente operacional PIO CW - 255 275 mA
Tensão operacional VOP 25℃ - 2.1 2.3 V
Monitorar Atual IMON VRM=5V 50 - 1500 µA
Corrente escura MPD EU IA VRM=5V - - 50 µA
Resistência do termistor RTH 25℃ 9.5 10 10.5
Valor B do termistor β 25℃/80℃ - 3950 - K


Desenho do pacote e definição de PIN-OUT (Unidade: mm)

850nm Fabry Perot Fp Fiber Coupled Laser Diode


Entregar, enviar e servir

Todos os produtos foram testados antes do envio;

Todos os produtos têm garantia de 1 a 3 anos. (Após o período de garantia de qualidade começou a cobrar taxa de serviço de manutenção apropriada.)

Agradecemos sua preferência e oferecemos uma política de devolução instantânea de 7 dias. (7 dias após o recebimento dos itens);

Se os itens que você compra em nossa loja não forem de qualidade perfeita, ou seja, não funcionam eletronicamente de acordo com as especificações do fabricante, basta devolvê-los para substituição ou reembolso;

Se os itens estiverem com defeito, avise-nos dentro de 3 dias após a entrega;

Todos os itens devem ser devolvidos em suas condições originais para se qualificarem para reembolso ou substituição;

O comprador é responsável por todos os custos de envio incorridos.

850nm Fabry Perot Fp Fiber Coupled Laser Diode


Perguntas frequentes

P: Existe um driver de laser correspondente disponível?

R: Sim. Também podemos integrar o diodo e o driver para ser um módulo de fonte de laser.


P: Você tem algum outro laser FP de comprimento de onda?

R: Sim, 488nm/ 520nm/ 532nm/ 660nm/ 850nm/ 1064nm... Entre em contato conosco para mais detalhes.


Hot Tags: Diodo laser acoplado a fibra Fabry Perot FP 850nm, fabricantes, fornecedores, atacado, fábrica, personalizado, a granel, China, feito na China, barato, baixo preço, qualidade

Categoria Relacionada

Enviar consulta

Por favor, sinta-se livre para dar o seu inquérito no formulário abaixo. Responderemos em 24 horas.
X
Utilizamos cookies para lhe oferecer uma melhor experiência de navegação, analisar o tráfego do site e personalizar o conteúdo. Ao utilizar este site, você concorda com o uso de cookies. política de Privacidade
Rejeitar Aceitar