1060nm 25dB SOA semicondutores amplificador óptico
  • 1060nm 25dB SOA semicondutores amplificador óptico 1060nm 25dB SOA semicondutores amplificador óptico
  • 1060nm 25dB SOA semicondutores amplificador óptico 1060nm 25dB SOA semicondutores amplificador óptico
  • 1060nm 25dB SOA semicondutores amplificador óptico 1060nm 25dB SOA semicondutores amplificador óptico
  • 1060nm 25dB SOA semicondutores amplificador óptico 1060nm 25dB SOA semicondutores amplificador óptico

1060nm 25dB SOA semicondutores amplificador óptico

A série de produtos de amplificador óptico de semicondutores de 1060nm 25dB SOA é usada principalmente para amplificação de sinal óptico e pode aumentar significativamente a potência óptica de saída. Os produtos apresentam alto ganho, baixa potência O consumo e a manutenção da polarização, entre outras características, e são totalmente processáveis com a tecnologia controlável domesticamente.

Enviar consulta

Descrição do produto

A série de produtos de amplificador óptico de semicondutores de 1060nm 25dB SOA é usada principalmente para amplificação de sinal óptico e pode aumentar significativamente a potência óptica de saída. Os produtos apresentam alto ganho, baixo consumo de energia e manutenção de polarização, entre outras características, e são totalmente processáveis com a tecnologia controlável interna.


Recurso

● Pacote de borboleta de 14 pinos;
● Figura de baixo ruído e baixa dependência de polarização;
● Fibra SMF-28E com conector FC/APC.
● Confiabilidade: Telcordia GR-468. Rohs


Aplicativo

● Compensação de perda para conexão e interruptor de fibra óptica
● OCT médico;
● Fonte de frequência de varredura, laser ajustável;

Características eletro-ópticas (t = 25 ℃)

Parâmetro Símbolo Doença Min. TIPO. Máx. Unidade
Comprimento de onda operacional Lpeak 25 ℃, pin = 0dbm - 1060 - nm
Comprimento de onda central do ASE deixar 25 ℃, se = 400mA - 1070 - nm
-3db Gain BandWidth ΔL Pino = -20dbm - 50 - nm
Potência óptica de saturação PMAX Se = 400mA,
Pino = 5dbm@1060nm
- 15 - dbm
Pequeno ganho de sinal Ssg Se = 400mA,
Pino = -25dbm@1060nm
- 25 - dB
Ganho dependente de polarização CEO 25 ℃, se = 400mA dB
Corrente operacional SE - 20 - - MA
Tensão para a frente Vf - - 400 600 V
Figura de ruído Nf 25 ℃, se = 400mA, @1060nm - - 2.0 dB
Tec Current LTEC - - - 1.8 A
Tensão TEC VTEC - - 10 3.4 V
RESITÃO TERMISTOR Rtherm T = 25 ℃ 9.5 10 10.5
Corrente do termistor ltherm - - - 5 MA
Poder total P - - - 4 w
Temperatura do caso operacional PRINCIPAL I = se -10 - 70
Temperatura de armazenamento Ts - -40 - 85


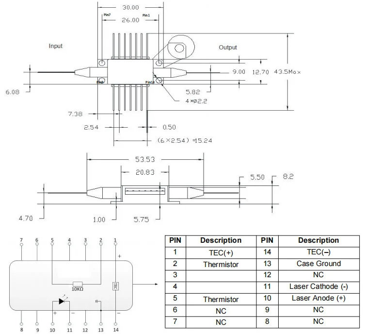
Definição de desenho e pin-out de pacotes (unidade: mm)

1060nm 25db Soa Semiconductor Optical Amplifier


Curva característica típica

1060nm 25db Soa Semiconductor Optical Amplifier


Entregar, enviar e servir

Todos os produtos foram testados antes do envio;

Todos os produtos têm 1 ano de garantia. (Após o período de garantia de qualidade começou a cobrar a taxa de serviço de manutenção apropriada.)

Agradecemos o seu negócio e oferecemos uma política instantânea de retorno de 7 dias. (7 dias após receber os itens);

Se os itens que você compra em nossa loja não forem de qualidade aperfeiçoada, ou seja, eles não funcionam eletronicamente às especificações do fabricante, basta devolvê -los para substituição ou reembolso;

Se os itens estiverem com defeito, notifique -nos dentro de 3 dias após a entrega;

Quaisquer itens devem ser devolvidos em sua condição original para se qualificar para um reembolso ou substituição;

O comprador é responsável por todo o custo de envio incorrido.


1060nm 25db Soa Semiconductor Optical Amplifier


Perguntas frequentes

P: Qual é o comprimento de onda que você precisa?

R: Temos 1550nm 1310nm 1270nm 1060nm SOA Diodo a laser.


P: Qual é o requisito para a potência de saída?

R: Box Optronics pode personalizar de acordo com seus requisitos.


Hot Tags: 1060nm 25dB SOA semicondutores amplificador óptico, fabricantes, fornecedores, atacado, fábrica, personalizado, volume, China, fabricado na China, preço baixo, baixo, qualidade, qualidade

Categoria Relacionada

Enviar consulta

Por favor, sinta-se livre para dar o seu inquérito no formulário abaixo. Responderemos em 24 horas.
X
Utilizamos cookies para lhe oferecer uma melhor experiência de navegação, analisar o tráfego do site e personalizar o conteúdo. Ao utilizar este site, você concorda com o uso de cookies. política de Privacidade
Rejeitar Aceitar